32mm Metal Gear Motor Model TSL-GM3865-520-EN
Basic Info:
- Motor Type:spur gear motor
- Motor Model:TSL-GM3865-520-EN
- Rated Voltage:12V / 6V DC/Customizable
- No Load Speed:10rpm – 240rpm
- No Load Current:≤180mA
- Wiring Specification:XH2.54 terminal connector
- Encoder Specification:AB dual-phase encoder, 13-line basic signal, voltage 3.3V or 5.0V
- #More Specifications
- #Outline Drawing
Typical application:
- Smart self-balancing two-wheel vehicles, smart tracking cars
- smart home appliances, robots, camera cranes, electric tape dispensers
12V DC Motor With Encoder Gear Motor Specifications
The 12V DC motor with encoder features a D‑shaped output shaft that simplifies installation and reduces slipping, helping save assembly time. Its gears are fully machined with high precision, providing strong load capacity, excellent wear resistance, and reliable performance under high‑torque conditions.
The 12V DC motor with encoder uses pure copper windings for low resistance and strong conductivity, improving efficiency and durability. This 12V DC motor with encoder includes an AB‑phase incremental magnetic Hall encoder with a protective cover, delivering stable signal output for applications requiring accurate speed and position feedback.
TSL-GM3865-520-EN , DC 12V , Max Output 5.2W
| Ratio | No Load | Rated Load | Stall | |||||
| Current | Speed | Voltage | Torque | Speed | Current | Torque | Current | |
| i:1 | mA | RPM | V | Kg.cm | RPM | A | Kg.cm | A |
| 42:1 | ≤180 | 240 | 12 | 1.8 | 185 | ≤0.6 | ≥8.0 | ≤3.5 |
| 67:1 | ≤180 | 148 | 12 | 2.9 | 112 | ≤0.6 | ≥12.0 | ≤3.5 |
| 125:1 | ≤180 | 74 | 12 | 5.5 | 56 | ≤0.6 | ≥20 | ≤3.5 |
| 225:1 | ≤180 | 44 | 12 | 10.0 | 33 | ≤0.6 | Continuous load or stall torque must not exceed 25.0 kg·cm | ≤3.5 |
| 450:1 | ≤180 | 22 | 12 | 20.0 | 16 | ≤0.6 | ≤3.5 | |
💟The 12V DC motor with encoder’s technical specifications are for guidance,we offer custom solutions upon request.
⇒Unit Coversion: 1 g·cm ≈ 0.098 mN·m ≈ 0.014 oz·in;1 mm ≈ 0.039 in;1 g ≈ 0.035 oz
TSL-GM3865-520-EN , DC 6V , Max Output 1.5W
| Ratio | No Load | Rated Load | Stall | |||||
| Current | Speed | Voltage | Torque | Speed | Current | Torque | Current | |
| i:1 | mA | RPM | V | Kg.cm | RPM | A | Kg.cm | A |
| 42:1 | ≤100 | 115 | 6 | 1.0 | 90 | ≤0.4 | ≥4.0 | ≤1.8 |
| 67:1 | ≤100 | 72 | 6 | 1.5 | 55 | ≤0.4 | ≥6.0 | ≤1.8 |
| 125:1 | ≤100 | 36 | 6 | 3.0 | 27 | ≤0.4 | ≥10.0 | ≤1.8 |
| 225:1 | ≤100 | 21 | 6 | 5.0 | 16 | ≤0.4 | ≥20.0 | ≤1.8 |
| 450:1 | ≤100 | 10 | 6 | 10 | 8 | ≤0.4 | ≥25.0 | ≤1.8 |
💟The 12V DC motor with encoder’s technical specifications are for guidance,we offer custom solutions upon request.
⇒Unit Coversion: 1 g·cm ≈ 0.098 mN·m ≈ 0.014 oz·in;1 mm ≈ 0.039 in;1 g ≈ 0.035 oz
TSL-GM3865-520-EN Hall Encoder Datasheet
| Type | AB Dual-Phase Incremental Magnetic Hall Encoder |
| Line Speed | Basic Pulse 13 PPR × Gear Reduction Ratio |
| Supply Voltage | DC 3.3V / DC 5.0V |
| Basic Function | Built-in pull-up and shaping resistors, direct connection to MCU |
| Interface Type | XH2.54 (with matching connecting cable) |
| Output Signal Type | Square Wave, AB Phase |
| Response Frequency | 100KHz |
| Basic Pulse Count | 13 PPR |
| Magnetic Ring Trigger Poles | 26 poles (13 pole pairs) |

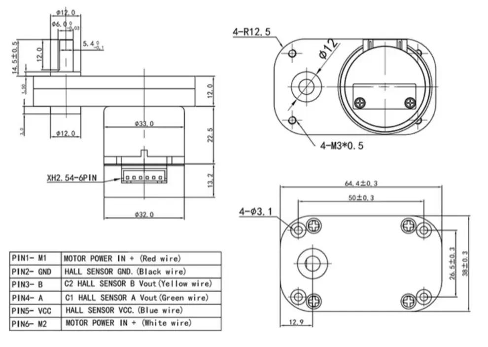
12V DC Motor With Encoder Gear Motor Outline Drawing
Unless otherwise stated, all dimensions are in millimeters. The provided drawings are for illustrative purposes; please contact us to verify precise specifications.

TSL-GM3865-520-EN Encoder Options & Comparison
The encoder features pull-up output, which is pulled up to the power supply VCC pin by default, allowing direct acquisition by a single-chip microcomputer (MCU).
The precision of the photoelectric encoder is 40 times that of the Hall encoder. Photoelectric encoders offer higher precision and perform excellently at low speeds, while Hall encoders provide better stability and are sufficient for most general scenarios.
| Specification | Photoelectric Encoder | Hall Encoder |
| Encoder Line Count | 448PPR | 11PPR |
| Type | Photoelectric Sensing | Magnetic Sensing |
| Supply Voltage Range | 3.3V-5V | 5V |
| Encoder Protection | With Plastic Rear Cover | Hall Encoder |
| Compatible MCUs | MCUs with hardware encoder interfaces (e.g., STM32); not compatible with Arduino/51 series | Almost all MCUs |
12V DC Motor With Encoder Performance Curve
The following two performance curves represent the gear‑ratio performance curves of our model TSL‑GM3865‑520‑EN with a 29.029 reduction ratio.
Development Samples:
If you need samples, please contact us.
Engineering & Manufacturing:
Contact any or the Sales Engineers for a quotation for production or consultation on the integration and customization of your product.
Payment:
1.Payment methods : Paypal, T/T
Shipping:
1.Delivery: DHL/FedEx 3-5 days.
2.Item will be shipped within 1-3 business days after the payment.
3.If you haven’t received the item on the Delivery Time, pls contact us by email if you have any questions. Normally, we will give you a reply within 24 hours, if not, pls check the spam of your email box. We will do our best to help you solve the problems.
4.Please make sure your address is matched with the finally shipping address before you pay.
FAQ for worm gear motor
Q:What is a worm gear motor?
A:A worm gear motor is an electric motor integrated with a worm drive mechanism, designed to provide high torque at low speeds, often with a self-locking feature and a right-angle output.
Q:Can worm Gear Motor Be Customized?
A: Yes,worm gear motor can be customized. TSL Motors, a top manufacturer, offers options to adjust torque, speed, and voltage. This ensures the motor meets the specific needs of your application.
Q: How do I place an order?
A: Send us an inquiry and we will send you a quote – make arrangements – confirm the sample – sign the contract/deposit mass production – delivery ready for delivery. Balance/delivery
Q: What about Sample Order?
A: Sample are available to you. Contact us for specifics. If we charge you a cost for the sample, you can take it at ease, as it will be the refund you receive when you make a formal order.
Q: If it is a customized version the information you provide, what should you include?
A: You should give the fundamental specifications of the motor, for example Dimensions Applications, Sizes as well as Voltage, Speed and Torque. It is better to provide an application-specific prototype drawing to us when you can.
Tap:If you request a quotation for mass production quantities, contact us for customizations and integration.
Motor Customization Guide
Please tell us your requirements. Our engineers will give you the best solution for your application.
✅Collaborate with Specialists
Our engineering team brings decades of motor technology expertise to every project.
✅Seamless Global Partnership
Communicating with us is a breeze.
We’ll adapt to your time zone, making sure that information and ideas are exchanged promptly.
Right from the start, you can rest assured that your thoughts are fully grasped.
Get In Touch
Start a discussion with our team today!











