TSL Custom Micro Motors Type for Electric Door Lock 7.4V 300:1
Basic Info:
- Brand:TSL
- Origin:China
- Motor Model:Custom Micro Motors
- Rated Speed:30±10%rpm
- Rated Voltage:7.4V DC/Customizable
- Stall Torque:≥22Kg.cm
- #More Specifications
- #Outline Drawing
♦ Typical Applications:
- Smart locks/small Home Appliances/lighting products
Worm Gear DC Motor Door Lock Actuator Datasheet
Door lock actuator geared motor built for smart lock systems. Auto‑clutch design with worm‑gear drive. Smooth rotation. Stable output. Supports manual override when needed. Gear ratio 300:1 with a rated voltage of 7.4V. No‑load speed around 37rpm and low current draw for efficient performance.
The door lock actuator rated speed about 30rpm with rated current ≤1500mA. Rated torque 4.4kgf.cm for consistent locking force. Stall current ≤7500mA and stall torque ≥22kg.cm for strong push‑pull action. Compact, durable, and highly compatible with door lock actuator applications in modern smart door mechanisms.
| Reduction | No Load | Rated | Stall | ||||||
| Speed | Current | Voltage | Speed | Current | Torque | Current | Torque | Allowed or no | |
| 300:1 | 37±10%RPM | ≤250mA | 7.4V | 30±10%RPM | ≤1500mA | 4.4Kgf.cm | ≤7500mA | ≥22Kgf.cm | No |
💕The door lock actuator’s technical specifications are for guidance,we offer custom solutions upon request.
⇒Unit Coversion: 1 g·cm ≈ 0.098 mN·m ≈ 0.014 oz·in;1 mm ≈ 0.039 in;1 g ≈ 0.035 oz
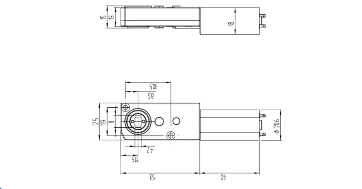
Electric Door Lock Actuator Mechanical Drawing
Unless otherwise stated, all dimensions are in millimeters. The provided drawings are for illustrative purposes; please contact us to verify precise specifications.

Development Samples:
If you need samples, please contact us.
Engineering & Manufacturing:
Contact any or the Sales Engineers for a quotation for production or consultation on the integration and customization of your product.
Payment:
1.Payment methods : Paypal, T/T
Shipping:
1.Delivery: DHL/FedEx 3-5 days.
2.Item will be shipped within 1-3 business days after the payment.
3.If you haven’t received the item on the Delivery Time, pls contact us by email if you have any questions. Normally, we will give you a reply within 24 hours, if not, pls check the spam of your email box. We will do our best to help you solve the problems.
4.Please make sure your address is matched with the finally shipping address before you pay.
FAQ for worm gear motor
Q:What is a worm gear motor?
A:A worm gear motor is an electric motor integrated with a worm drive mechanism, designed to provide high torque at low speeds, often with a self-locking feature and a right-angle output.
Q:Can worm Gear Motor Be Customized?
A: Yes,worm gear motor can be customized. TSL Motors, a top manufacturer, offers options to adjust torque, speed, and voltage. This ensures the motor meets the specific needs of your application.
Q: How do I place an order?
A: Send us an inquiry and we will send you a quote – make arrangements – confirm the sample – sign the contract/deposit mass production – delivery ready for delivery. Balance/delivery
Q: What about Sample Order?
A: Sample are available to you. Contact us for specifics. If we charge you a cost for the sample, you can take it at ease, as it will be the refund you receive when you make a formal order.
Q: If it is a customized version the information you provide, what should you include?
A: You should give the fundamental specifications of the motor, for example Dimensions Applications, Sizes as well as Voltage, Speed and Torque. It is better to provide an application-specific prototype drawing to us when you can.
Tap:If you request a quotation for mass production quantities, contact us for customizations and integration.
Motor Customization Guide
Please tell us your requirements. Our engineers will give you the best solution for your application.
✅Collaborate with Specialists
Our engineering team brings decades of motor technology expertise to every project.
✅Seamless Global Partnership
Communicating with us is a breeze.
We’ll adapt to your time zone, making sure that information and ideas are exchanged promptly.
Right from the start, you can rest assured that your thoughts are fully grasped.
Get In Touch
Start a discussion with our team today!









