NEMA 11(28mm) Hybrid Stepper Motor With Worm Gearbox TSL-3454GW-28STH
Basic Info:
- Brand:TSL
- Origin:China
- Motor Series:TSL-3454GW-28STH
- Motor Size:NEMA 11 (28mm)
- Motor Length33mm/Customizable
- Phase:2 Phase
- Step Angel:1.8° Step Angle
- #More Specifications
- #Outline Drawing
♦ Typical Applications:
- 3D printers and precision automation systems
- Robotic joints and compact robotic mechanisms
- Optical instruments, medical devices, and laboratory automation
NEMA11 High Torque Geared Stepper Motor TSL-3454GW-28STH Datasheet
This NEMA 11 high torque geared stepper motor tsl-3454gw-28sth series features a precision hybrid gear system, combining durable metal gears with silent nylon components. This unique engineering allows the motor to deliver powerful performance while significantly reducing operating vibration, making it the perfect choice for noise-sensitive, high-precision applications.
Engineered for reliability, this high torque geared stepper motor supports a maximum instantaneous load of up to 55kg.cm. We offer extensive customization to meet your specific needs, including full-steel machined gear upgrades for extreme durability or specialized gear ratios designed for enhanced self-locking capabilities and static holding power.
| Ratio | Rated Torque | Max Torque | Step | Current | Steppr Motor Length | Drive Voltage |
| i:1 | Kg.cm | Kg.cm | ° | A | L(mm) | V |
| 32.3 | 3 | 9 | 1.8 | 0.6 | 33 | 12/24 |
| 67.3 | 3 | 9 | ||||
| 99 | 12 | 55 | ||||
| 207 | 12 | 55 |
💕The NEMA 14 geared stepper motor ’s technical specifications are for guidance,we offer custom solutions upon request.
⇒Unit Coversion: 1 g·cm ≈ 0.098 mN·m ≈ 0.014 oz·in;1 mm ≈ 0.039 in;1 g ≈ 0.035 oz1
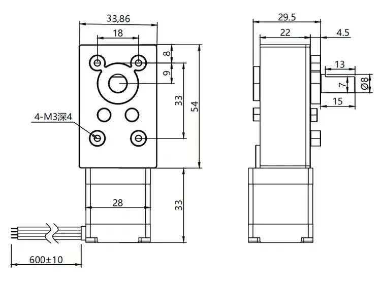
High Torque Geared Stepper Motor NEMA 11 Single Shaft Mechanical Drawing
Unless otherwise stated, all dimensions are in millimeters. The provided drawings are for illustrative purposes; please contact us to verify precise specifications.

Custom lengths or tailored selections are available upon request; please contact our engineering team for optimized solutions.
Development Samples:
If you need samples, please contact us.
Engineering & Manufacturing:
Contact any or the Sales Engineers for a quotation for production or consultation on the integration and customization of your product.
Payment:
1.Payment methods : Paypal, T/T
Shipping:
1.Delivery: DHL/FedEx 3-5 days.
2.Item will be shipped within 1-3 business days after the payment.
3.If you haven’t received the item on the Delivery Time, pls contact us by email if you have any questions. Normally, we will give you a reply within 24 hours, if not, pls check the spam of your email box. We will do our best to help you solve the problems.
4.Please make sure your address is matched with the finally shipping address before you pay.
FAQ for gear reducer stepper motor
Q:What is a Stepper Motor?
A:A stepper gear motor combines a stepper motor with a gearbox.It’s a brushless DC motor that moves in small, precise steps. You can set it to any position without a sensor. The gearbox then lets it drive heavier loads with slow, controlled movements.
If you want to know more about how stepper motor work, you can click on this link:Stepper motor – Wikipedia
Q:Can Stepper Gear Motor Be Customized?
A: Yes,stepper gear motor can be customized. TSL Motors, a top manufacturer, offers options to adjust torque, speed, and voltage. This ensures the motor meets the specific needs of your application.
Q: How do I place an order?
A: Send us an inquiry and we will send you a quote – make arrangements – confirm the sample – sign the contract/deposit mass production – delivery ready for delivery.
Q: Does the hybrid stepper motor lose steps during operation?
A: lease check if the step loss follows a pattern. If the step loss is irregular, it is likely due to insufficient torque. We recommend checking if the load exceeds the motor’s capacity or upgrading to a model with higher torque.
Q: If it is a customized version the information you provide, what should you include?
A: You should give the fundamental specifications of the motor, for example Dimensions Applications, Sizes as well as Voltage, Speed and Torque. It is better to provide an application-specific prototype drawing to us when you can.
Tap:If you request a quotation for mass production quantities, contact us for customizations and integration.
Motor Customization Guide
Please tell us your requirements. Our engineers will give you the best solution for your application.
✅Collaborate with Specialists
Our engineering team brings decades of motor technology expertise to every project.
✅Seamless Global Partnership
Communicating with us is a breeze.
We’ll adapt to your time zone, making sure that information and ideas are exchanged promptly.
Right from the start, you can rest assured that your thoughts are fully grasped.
Get In Touch
Start a discussion with our team today!









