NEMA 8 (20mm) Hybrid Stepper Motor Solid Single Shaft Model TSL-20STH3406A4
♦ Basic Info:
- Brand:TSL
- Origin:China
- Motor Model:TSL-20STH3406A4
- Motor Size:NEMA 8(20mm)
- Motor Length:28mm/34mm/40mm/Customizable
- Phase:2 Phase
- Step Angel:1.8° Step Angle
- #More Specifications
- #Outline Drawing
♦ Typical Applications:
- 3D Printing Technology
- Industrial Control (CNC, Automatic Milling Machines, Textile Machinery)
- Computer Peripheral Devices
- Packaging Machines
NEMA 8 Stepper Motor TSL-20STH Series Datasheet
Our NEMA 8 stepper motor (TSL‑20STH Series) is designed to meet a wide range of performance requirements, and we offer extensive customization options to ensure a perfect fit for your project. If you find that the standard specifications, parameters, mounting dimensions, or wiring configurations do not match what you need, please feel free to contact us immediately.
We provide flexible customization, fast engineering support, and N0‑MOQ solutions, helping you achieve optimal performance in compact motion‑control applications.
| Motor Model | Step Angle | Rated Current | Phase Resistance | Phase Inductance | Holding Torque | Detent Torque | Rotor Inertia | Motor Length | Lead Wire | Motor Weight |
| ° | A | Ω | mH | N.m | N.m | g.cm² | mm | No. | g | |
| TSL-20STH2802A4 | 1.8 | 0.2 | 23 | 8.2 | 0.014 | 0.02 | 2.5 | 28 | 4 | 50 |
| TSL-20STH2806A4 | 1.8 | 0.6 | 3.2 | 0.9 | 0.014 | 0.02 | 2.5 | 28 | 4 | 50 |
| TSL-20STH3402A4 | 1.8 | 0.2 | 25 | 8.4 | 0.018 | 0.03 | 3.2 | 34 | 4 | 70 |
| TSL-20STH3406A4 | 1.8 | 0.6 | 4.5 | 1.2 | 0.018 | 0.03 | 3.2 | 34 | 4 | 70 |
| TSL-20STH4002A4 | 1.8 | 0.2 | 32 | 8.8 | 0.026 | 0.05 | 4.5 | 40 | 4 | 82 |
| TSL-20STH4006A4 | 1.8 | 0.6 | 5.8 | 1.6 | 0.026 | 0.05 | 4.5 | 40 | 4 | 82 |
💕The speed is calculated using the following formula: Speed (rpm) = Step Angle × Frequency × 60 ÷ 360.
💕The nema 8 stepper motor’s technical specifications are for guidance,we offer custom solutions upon request.
⇒Unit Coversion: 1 g·cm ≈ 0.098 mN·m ≈ 0.014 oz·in;1 mm ≈ 0.039 in;1 g ≈ 0.035 oz1
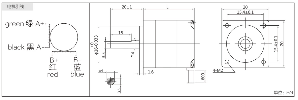
NEMA 8 Stepper Motor Mechanical Drawing
Unless otherwise stated, all dimensions are in millimeters.

NEMA 8 Stepper Motor Common Customization Options
At TSL, stepper motors are never limited to standard models. In addition to customizable electrical specifications, we also offer a range of common customization options for customers to choose from.
If the customization options listed below still do not meet your requirements, please feel free to contact us.

Development Samples:
If you need samples, please contact us.
Engineering & Manufacturing:
Contact any or the Sales Engineers for a quotation for production or consultation on the integration and customization of your product.
Payment:
1.Payment methods : Paypal, T/T
Shipping:
1.Delivery: DHL/FedEx 3-5 days.
2.Item will be shipped within 7 business days after the payment.
3.If you haven’t received the item on the Delivery Time, pls contact us by email if you have any questions. Normally, we will give you a reply within 24 hours, if not, pls check the spam of your email box. We will do our best to help you solve the problems.
4.Please make sure your address is matched with the finally shipping address before you pay.
FAQ for Hybrid Stepper Motor
Q:What is a Stepper Motor?
A:A stepper gear motor combines a stepper motor with a gearbox.It’s a brushless DC motor that moves in small, precise steps. You can set it to any position without a sensor. The gearbox then lets it drive heavier loads with slow, controlled movements.
If you want to know more about how stepper motor work, you can click on this link:Stepper motor – Wikipedia
Q:Can Stepper Gear Motor Be Customized?
A: Yes,stepper gear motor can be customized. TSL Motors, a top manufacturer, offers options to adjust torque, speed, and voltage. This ensures the motor meets the specific needs of your application.
Q: How do I place an order?
A: Send us an inquiry and we will send you a quote – make arrangements – confirm the sample – sign the contract/deposit mass production – delivery ready for delivery. Balance/delivery
Q: What about Sample Order?
A: Sample are available to you. Contact us for specifics. If we charge you a cost for the sample, you can take it at ease, as it will be the refund you receive when you make a formal order.
Q: If it is a customized version the information you provide, what should you include?
A: You should give the fundamental specifications of the motor, for example Dimensions Applications, Sizes as well as Voltage, Speed and Torque. It is better to provide an application-specific prototype drawing to us when you can.
Tap:If you request a quotation for mass production quantities, contact us for customizations and integration.
Motor Customization Guide
Please tell us your requirements. Our engineers will give you the best solution for your application.
✅Collaborate with Specialists
Our engineering team brings decades of motor technology expertise to every project.
✅Seamless Global Partnership
Communicating with us is a breeze.
We’ll adapt to your time zone, making sure that information and ideas are exchanged promptly.
Right from the start, you can rest assured that your thoughts are fully grasped.
Get In Touch
Start a discussion with our team today!









